Hamworthy Serck Como GMBH

Sold
Hamworthy Serck Como GMBH
€140,000 (EUR)
Location:Kostolná-Záriečie, Slovakia
Description
End user wants to sell fast
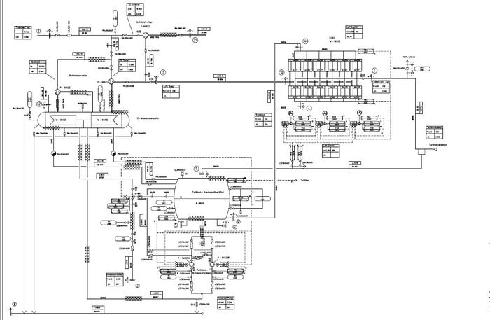
Air Cooled Condensation Plants - NEW
Manufacturer : Hamworthy Serck Como GMBH
Technical specifications
Amount of steam : 17450 kg/h
Heat output : 10869 kW
Ambient temperature : 20 °C
Heat transfer surface : 13878 m2
Design temperature : 130 °C
Fans : 3 X 45 kW
Condensate pumps : 2 x 15 kW
The steel construction of the condenser is galvanized and the chambers have a coating of zinc dust paint or heat resistant aluminum paint. Pipes and condensate tanks are primed with anticorrosive paint
Scope of supply
All equipment and auxiliaries for operation as in the existing plant
Condition of the equipment- NEW
Specifications
| Manufacturer | Hamworthy Serck Como GMBH |
| Condition | Used |






